空壓機專用壓力變送器
產品用于監測空壓機排氣壓力,提供信號反饋,使形成系統的閉環控制,產品使用背部受壓傳感器,抗電磁干擾強,性價比高,壽命長,可提供OEM服務,在空壓機領域得到廣泛應用,獲得客戶一致認可。
產品用于監測空壓機排氣壓力,提供信號反饋,使形成系統的閉環控制,產品使用背部受壓傳感器,抗電磁干擾強,性價比高,壽命長,可提供OEM服務,在空壓機領域得到廣泛應用,獲得客戶一致認可。
【產品介紹】:
KYB2003B空壓機專用壓力變送器以進口壓力傳感器為敏感元件,采用先進補償技術精制而成,具有較高的可靠性和穩定性。本產品性能優越,并具有結構精巧,安裝簡易等特點,是針對空壓機專門研發的一款高質價比產品。
【系列用途】:
空壓機領域
【產品特點】:
◆采進口傳感器,輸出穩定可靠
◆全焊接封裝結構,穩固可靠
◆抗電磁干擾能力強,通過EMC測試
◆優越的過載能力,耐沖擊
◆靈活的出線方式,安裝方便
◆可根據用戶要求定制配套
【產品參數】:
產品類型:壓力變送器
測量介質:與不銹鋼兼容的各種液體、氣體或蒸汽
量程范圍:0~1.6MPa
工作電壓:10~30V
輸出信號:4~20mA
綜合精度:±0.5%FS
工作溫度:-20~85℃
儲存溫度:-40~130℃
過載壓力:1.5倍滿量程
破壞壓力:2倍滿量程
絕緣強度:>50 MΩ/250VDC
靜電防護等級:接觸放電≥6000V,空氣放電≥10000V
防護等級:IP65/IP67(防水插頭)
電氣連接:航空接頭、Hirschmann接頭、用戶可自定
【產品規格選型】:

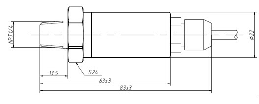
【產品尺寸圖】:

【產品毛重】:133G
【產品凈重】:128G
聯系電話
微信掃一掃
